For years, the global energy conversation has focused on how clean our power sources are, but cleanliness alone is not enough. Energy systems that fluctuate with the weather cannot be the sole...
4 March 2026 Last month our three 5 MWh BESS blocks and two step-up skid stations arrived on site in Naracoorte, South Australia. It was a stunning day and the installation all went according to...
The recently released ISP Draft 2026 quietly shifted the energy transition playbook. Buried in the numbers is a significant signal: transmission requirements have been cut from 10,000 km to 6,000...
Energy storage isn’t just about batteries—it’s about integration that works Across the BESS projects we’ve been involved with, one thing keeps surfacing in project discussions: most delays and risks...
In September 2025, Australia reached a landmark moment: for the first time since the National Electricity Market (#NEM) began in 1998, #renewables supplied more electricity than coal. This...
You need to wonder, is cybersecurity in BESS really just another IT checklist, or should it sit squarely at the executive table? Today’s batteries aren’t just hardware bolted into containers. They...
Kookaburra Power Technologies Pty Ltd’s Integrated Management System (IMS) Policy KT-IMS-POL-001 IMS Policy Rev A 2025-08-21 Our Quality Policy At Kookaburra Power Technologies (KTECK), we provide...
KTECK Joins Battery Asset Management Summit Series in Sydney: Driving the Future of Energy Storage In August 2025, Kookaburra Power Technologies (KTECK) proudly participated in the Battery Asset...
🎉 Exciting News! 🎉 Kookaburra Power Technologies is proud to be named a 2025 Sydney Business Awards Finalist with Business NSW. This recognition reflects our team’s dedication to innovation,...
Aug 5, 2025 Kookaburra Power Technologies (KTECK) is helping developers and asset owners deploy battery energy storage systems with more flexibility and less risk. Energy storage isn’t just about...
31 October 2025 In 2026 Kookaburra Power Technologies will be supplying a 15MWh battery energy storage system (BESS) for Flow Power’s Mil Lel Energy Project. The system comprises three 5MWh battery...
4 March 2026 12 February 2026 Our contribution to the Coonawarra BESS project included three of our 5 MWh energy storage units and a step-up transformer station with PCS. The equipment is all...
What sets Kookaburra Power Technologies apart is the flexibility we offer. In the battery energy storage market, many companies only sell bundled systems; you’re expected to take their battery,...
4 March 2026 12 February 2026 Kookaburra Power Technologies supplied the 15MWh BESS at Monarto Energy Park and it is up and running. The set up includes 3 x 5MWh Brunstock energy...
Supercharge Your Energy Future with KTECK and Brunstock Batteries The role of grid-scale batteries within Australia’s fast-evolving energy landscape is crucial to enable a future powered by...
In today’s rapidly evolving energy landscape, the need for reliable, efficient power storage has never been greater. At Kookaburra Power Technologies, we’re revolutionising the way businesses and...
KTECK supports the life of your project with components and parts We are a full-service battery technology company dedicated to providing our clients with top-notch solutions and support. KTECK...
KTECK BESS include fire suppression and temperature control Brunstock’s BESS is equipped with an automatic fire extinguishing system, which carries out composite detection (smoke, temperature, CO,...
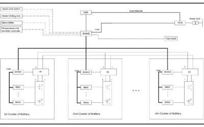
KTECK sells only the best BMS—a Brunstock BMS Brunstock’s battery management system has a three-tier architecture (BAMS, BCMU and BMU). This gives the battery system flexibility, insulation, better...

















